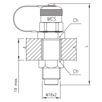
Toma Presión En Línea BSP 60º OLEOTEC

Rosca
BSP 60º

Documentos Adjuntos


CATÁLOGO OLEOTEC
Ref.
Oleotec
P. Trabajo
(bar)
Largo (L)
Largo (L1)
Rosca
0592-04-04 620.16.204.81 400 55 53 1/4
0592-04-06 620.16.206.82 400 55 60 3/8
0592-04-08 620.16.208.83 400 55 60 1/2
0592-04-12 620.16.212.84 400 55 68 3/4
0592-04-16 620.16.216.85 345 59 74 1
 El producto está disponible
 El producto ya no está en stock
 El producto no está en stock, pero se puede dejar en espera

5 productos más en la misma categoría:

Este sitio utiliza cookies para garantizar la mejor experiencia durante tu visita - ver